PRODUCTS
    Multi-Channel Tissue/Organ Baths
    Bio-sensors and Transducers
    Micro Vessel Needle and Wire Myograph
    Surgical & Dissection Instruments
    Bio-Amplifiers, Probes & Electrodes
    Transducers & Bridge Amp
    Data Acquisition System
    Precision Microscopes
    Linear Stages & Micro-manipulators
    Quality Lab Supplies
3D Micro   3D Micro for Optics   Mini 1D Positioner  
Motorized 1D Micro   Space Optical Filter   Non-rotating Micrometer

Gallium Linear Stages & Micromanipulators
For physics, bioscience and laser optics labs or industries
The Gallium manual or motorized linear stages and micromanipulators are used for micro-positioning and micro-driving of optical lens, fiber optic, electrodes, probes, and many other devices. They feature linear ball bearing guide, micrometer head drives, solid structure design and precision fabrications, which make them highly accurate and consistent.

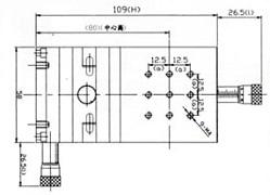
Gallium Manual Side Mount 3D Linear Stages
Model: MAM305 .......................$495
MAM305-C8 ..................$525

Features:1. Side mount
2. Ball bearing guide
3. MAM305-C8 includes a MAM305 3D linear stage, a GOM-200 holding clamp, an attachment plate and two hex-headed M4 screws.
 

Gallium MAM305 XYZ Linear Stage Specifications

Travel (X, Y, Z) 12.5mm each
Resolution 0.001mm
Reading 0.01mm
Platform Size 58x58mm
Outside Mount Thread 9xM4
Thread Spacing 12.5mm H &V
Base Mount 4x(3.5x5.5mm) holes & 4xM4 threads
Max Weight Carried 2.5kg (5.5lb)

GOM-200 Holding Clamp Specifications

2D Angle Adj.±2�
Angle Adj. Resolution 0.003�
Clamped Object Height 30mm Max
Clamp Height 63.5mm
Clamp Width 51mm

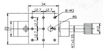
Gallium Manual 3D Integrated Linear Stage

Model:MAM315 ................$545

Features:1.Lens mount hole (16mm) ready
2.Outside mount face provides
additional attachment site
3.Integrated body structure provides high performance
4.Ball bearing guides
 

Gallium MAM315 Specifications

Lens Mount Through Hole Ø16mm
Outside Mount Threads 8xM4
Mount Thread Spacing 12.5mm
Travel (X, Y, Z) 12.5mm each
Resolution 0.001mm
Reading 0.01mm
Base Mount 4x6.5mm clamping notches and 4xM4 threads
Max Weight Carried 2.5kg

Gallium Manual Miniature 1D Linear Stage

Model: MAP105................$195 each

Features: 1. mini-sizes (largest length=88mm)
2. linear ball bearing guide
3. Mini-micrometer

Gallium MAP105 Specifications

Platform Size 35x34mm
Mount Threads 8xM3
Thread Spacing 12.7mm
Total Travel 14mm
Resolution 0.001mm
Reading 0.01mm Carried 2.5kg


Gallium Motorized 1D Micropositioner

Model: MOM305.......................... $695
Model: MOM315.......................... $795

Features: 1. Durable and repeatable
2. Low power consumption

Gallium (MOM305/MOM315) Specifications:

Platform Sizes 62x60/98x76mm
Mount Threads M4x25/M6x25mm spacing
Total Travel 25/50mm
Resolution 0.0025mm
Max Weight Carried 2.5kg
Motor Current 1.5A (MOM305)
Motor Step Angle 0.9° and 1.8° (MOM305)


Precision Space Optical Filter 1D Linear Stage

Model: SOF105................................ $325
(objective not included)

Features: 2D pin-hole adj. & focus adj.

Specifications

Total Travel 10mm
Resolution 0.001mm
2D Pin-hole Adj. ±1.5mm
2D Pin-hole Angle Adj. ±2°
Angle Resolution 0.002°

Clamp Adapter

Model: CA100 (Ø12 to Ø16mm) $39
CA200 (Ø16 to Ø16mm) $39

Non-rotating Micrometers (NRM100)
Specifications

Reading: 0.01mm (0.0004in)
Resolution: 0.001mm
Accuracy: 0.002mm (0.00008in)
Travel: 25 mm
Mount (Ø) : 12mm
Spindle (Ø) : 8 mm
Overall Length: 230 mm
NRM100............$58
 
The precision non-rotating micrometer (NRM100)heads are especially useful for micro-measurement or micro-adjustment applications where rotation of micrometer thimble generatesonly forwarding but not rotating mo-tion of its spindle. The GTM series micrometer heads are accurate and inexpensive. Their popular sizes m-ake them the best replacements for expensive micro-meters.
Copyright 2013© GlobalTown Microtech, Inc. All rights reserved.